电话:029-65693588    029-65693599    18092387696

地址:凤城二路海璟国际B2座9层

二维码
您当前位置:首页 > 产品中心 > 集成装置

产品中心

地址:凤城二路海璟国际B2座9层
联系人:杨经理
电话:029-65693588    029-65693599
18092387696
传真:029-65693456

XKTSG天然气干燥装置

发布日期:(2017-5-5)   点击次数:2698

设备用途

用于加气站、LNG/LPG压缩机前置天然气干燥用。

XKTSG天然气干燥装置

设备主要技术指标、操作参数及性能特点

1.操作介质:脱硫后湿气;

2.操作温度:15-60℃;

3.操作压力:0.3MPa-5.6MPa

4.进口气液比:<5000mg/Nm3

5.出口露点:标况下-60;

6.系统压降 <0.5KPa

7.处理气量(Nm3/d):5×104-100×104;

8.设备型式:双塔;

9.压力、流量、在线露点检测可根据用户要求使用气动、电动、手动控制以及远传。

设备规格

型号及规格

设计压力(MPa

处理气量

(×104M3/ d

主体材料

XKTSG0.5×0.8—1.6

6.8

5

Q345R

XKTSG1.2×1.9—1.6

6.8

10

Q345R

XKTSG1.4×2.3—1.6

6.8

20

Q345R

XKTSG2.5×1.8—1.6

6.8

40

Q345R

XKTSG2.2×3.5—1.6

6.8

80

Q345R

XKTSG2.5×4.0—1.6

6.8

100

Q345R

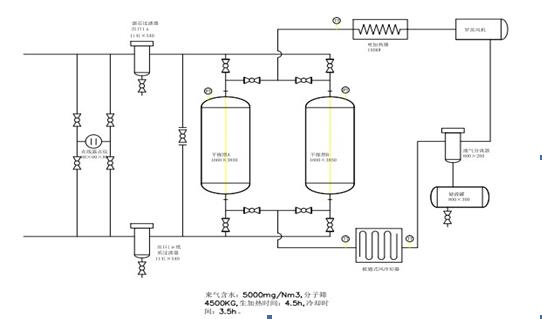
结构示意


设备主要技术指标

1.4A分子筛是一种碱金属硅铝酸盐,能吸附水、NH3H2S、二氧化硫、二氧化碳、C2H5OHC2H6C2H4等临界直径不大于4A的分子。广泛应用于气体、液体的干燥,也可用于某些气体或液体的精制和提纯,如CNG的干燥。分子筛是一种人工合成的、具有微孔型立方晶格的硅铝酸盐。依据其晶体内部孔穴的大小而吸附或排斥不同物质的分子,因而被称为分子筛。分子直径小于分子筛晶体孔穴直径的物质可以进入分子筛晶体,从而被吸附,否则,被排斥。分子筛广泛应用于天然气的深度干燥。

2.多点温度传感器监控:加热器表面、再生气入口、再生气出口设置有三支温度传感器准确显示与控制。

3.再生方式:自动控制闭式循环、加热再生、零排放。并采用等压闭式循环再生方式。其优点:无需卸放塔内压力,节约了资源并保护了环境,降低了CNG加气站的气损耗,真正实现了零排放。再生切换时无压力的急剧变化,使阀门和分子筛受到的冲击小,大大延长了其有效寿命。

4.吸附塔:采用双塔结构,并联工作方式。当一塔工作,即脱去气体中的水分时,另外一塔活化再生。

5.过滤器:专为天然气干燥器设置了前后置过滤器装置。

a.前过滤器:在干燥器进口的为前置过滤器,目的是过滤管道天然气所携带的固体杂质,以提高干燥器阀门的可靠性、延长其使用寿命。

b.后过滤器:在干燥器出口的为后置过滤器,过滤掉可能由吸附塔中带出的粉尘,让干净的成品气体输送到压缩机的入口。

6.液气分离器 :高效天然气气体分离器,运用离心、重力、惯性、碰撞等机理,有效去除再生冷却后天然气中的水分。

上一篇:XKS四相高效油气水(砂)分离器(国家专利:ZL200520079440.7) 下一篇:XKMF数字化多功能集成装置
网站首页 关于我们 产品中心 新闻中心 人才招聘 联系我们
联系我们

TEL:029-65693588    029-65693599    18092387696

ADDRESS:凤城二路海璟国际B2座9层

FAX : 029-65693456

关注我们

微信公众号关注我们

二维码
版权所有:西安华油兴科技术开发有限公司   备案号:陕ICP备12007230号-1  技术支持:动力无限